Nový ultrazvukový snímač Baumer UF300 přináší kombinaci kompaktní konstrukce a snímacího dosahu až 3 m, čímž rozšiřuje možnosti využití v intralogistice i průmyslové automatizaci. Zjistěte, jak technologie NexSonic zajišťuje vysokou přesnost, rychlou odezvu a spolehlivé měření i v náročných podmínkách.

Společnost Baumer Group uvedla na trh nový ultrazvukový snímač UF300, který rozšiřuje možnosti bezkontaktní detekce v průmyslové automatizaci. Tento model byl navržen s důrazem na kombinaci minimálních rozměrů a vysokého výkonu, což z něj dělá ideální řešení pro moderní intralogistiku, výrobní linky i balicí technologie.
Nový senzor Baumer UF300 lze vnímat jako výkonnějšího “většího bratra“ modelu Baumer UF200. Zachovává si jeho kompaktní filozofii a jednoduchou integraci, ale přináší zásadní posun v parametrech – především výrazně delší snímací dosah a širší možnosti využití.
Zatímco Baumer UF200 je ideální pro kratší vzdálenosti a omezené instalační prostory, Baumer UF300 cílí na aplikace, kde je potřeba snímat objekty na větší vzdálenost bez kompromisů v přesnosti nebo spolehlivosti.
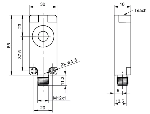
Jedním z hlavních přínosů snímače Baumer UF300 je jeho dosah až 3 metry, což je v této třídě plochých ultrazvukových snímačů velmi nadstandardní hodnota. Senzor si přitom zachovává extrémně tenké provedení – pouhých 18 mm, takže jej lze snadno integrovat i do prostorově omezených aplikací.
Velkou výhodou je také malá slepá zóna od cca 50 mm, která umožňuje detekci objektů velmi blízko snímače. To je důležité například při manipulaci s materiálem na dopravnících nebo při kontrole přítomnosti objektů v těsné blízkosti senzoru. průmyslovou automatizaci i koncepty Průmyslu 4.0.
Velkou přidanou hodnotou snímače je podpora IO-Link, která výrazně rozšiřuje možnosti jeho využití. Díky IO-Linku lze ze snímače kromě samotné vzdálenosti získat i další provozní data, například:
To umožňuje nejen jednodušší parametrizaci, ale také prediktivní údržbu a rychlou diagnostiku přímo z nadřazeného systému. Integrace do moderních automatizačních architektur je tak výrazně jednodušší a efektivnější.
Baumer UF300 využívá pokročilou ultrazvukovou technologii NexSonic, která kombinuje speciální ASIC elektroniku s optimalizovaným snímacím prvkem. Díky tomu snímač dosahuje vysoké stability měření i v prostředích, kde optické senzory často selhávají.
Ultrazvukový princip přináší několik zásadních výhod:
Díky inteligentnímu zpracování signálu a adaptivnímu tvarování zvukového kužele je možné přesně detekovat objekty i v úzkých otvorech nebo mezi konstrukčními prvky.
Snímač nabízí rychlou odezvu (typicky kolem 56 ms), což umožňuje jeho použití i v dynamických aplikacích. K dispozici jsou varianty:
To dává uživateli maximální flexibilitu při integraci do různých řídicích systémů.
Díky kombinaci dosahu, kompaktnosti a odolnosti je UF300 vhodný pro široké spektrum aplikací:
Velmi dobře se uplatní všude tam, kde je omezený prostor pro instalaci, ale zároveň je potřeba spolehlivě snímat na větší vzdálenosti.
Ultrazvukový snímač Baumer UF300 představuje moderní řešení pro aplikace, kde běžné senzory naráží na své limity. Kombinace dosahu až 3 m, kompaktního provedení a rozšířené diagnostiky díky IO-Linku z něj dělá univerzální nástroj pro průmyslovou automatizaci i koncepty Průmyslu 4.0.
V případě zájmu o bližší informace mě neváhejte kontaktovat.

